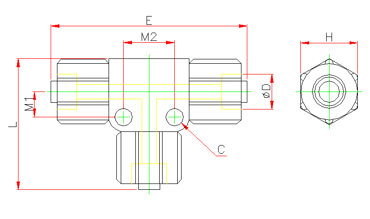
FCK 快擰式管接頭


我們的研發團隊&實驗室 華通氣動專業的技術研發團隊,擁有博士、碩士、本科學歷20余人,獲得多項國家級專利。與多家知名高校有技術研發合作,密切結合市場需求,開展研發工作。 目前已獲得發明專利十一項、實用新型專利五十多項、外觀專利三項。 技術中心還擁有600平米完整的氣動產品專業實驗室,可進行各類相關的氣動/物理/模擬/壽命試驗。各類檢測設備50余臺。其中20余臺為我公司技術中心自主研發制造的檢測設備。
生產制造能力
華通氣動車間生產制造能力
質量保證能力 —— 先進的智能化檢測線
—— 智能的產品裝配線 通過視覺檢測相機、接近傳感器、對射光纖傳感器等檢測手段,嚴格控制過程中的錯裝、漏裝。
—— 質量管理體系認證
非標氣缸定制,我們擁有以下相關技術的氣缸定做,歡迎來圖來樣非標ODM、OEM定制
華通氣動概況介紹
無錫市華通氣動制造有限公司 咨詢熱線:400-150-1100 傳真:0510-85757700 郵箱:netsales@wxpneum.com.cn 郵編:214177 地址:無錫市惠山經濟開發區欣惠路555號 上一篇:GCK 快擰式管接頭 下一篇:PU 氣管
返回CDC進口氣動接頭 相關CDC進口氣動接頭
在線客服
聯系方式熱線電話 0510-83591123 上班時間 周一到周六 營銷QQ 800099935 二維碼![]() 在線客服
| |||||||||||||||||||||
|---|---|---|---|---|---|---|---|---|---|---|---|---|---|---|---|---|---|---|---|---|---|